Produkt REM-105S6S-9E43B-B3M12
Enkoder absolutny obrotowy – wieloobrotowy
Seria Industrial
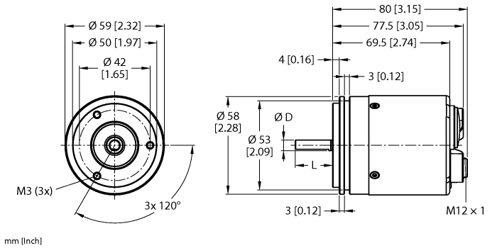
Nr zamówieniowy: 100046551- Kołnierz serwo, Ø 58 mm
- Wał lity, Ø 6 mm × 10 mm
- Pomiar optyczny
- Materiał wału: stal nierdzewna
- Klasa ochrony IP67 po stronie obudowy
- -40…+80 °C
- Maks. 6000 obr./min
- 10…30 V DC
- Profinet IO, RT i IRT do 250 µs
- Profil enkodera w wersji 4.2
- Protokół MRP (Media Redundancy Protocol)
- Protokół LLDP (Link Layer Discovery Protocol)
- Protokół SNMP (Simple Network Management Protocol)
- Szybkie uruchamianie (FSU)
- 3 × złącze M12, 4-stykowe
- Jednoobrotowy, rozdzielczość skalowalna do 19 bitów, domyślnie 13-bitowa
- Wieloobrotowy, rozdzielczość skalowalna do 24 bitów, domyślnie 12-bitowa
- Całkowita rozdzielczość skalowalna do 43 bitów, domyślnie 25-bitowa

Dane ogólne
| EAN | 4047101629361 |
| Kod eCl@ss (V5.1.4): | 27270501 -/- Przetwornik położenia, absolutny |
| Numer taryfy celnej | 90314990000 |
| Kraj pochodzenia | DE |
| Waga | 430 g |
Dane techniczne
| Linia enkodera | Industrial-Line |
| Technologia | fotoelektryczny |
| Typ wyjścia | Absolutny, wieloobrotowy |
| Shaft Type | Wał lity |
| Średnica ośki D (mm) | 6 |
| Flange diameter | Ø 58 mm |
| Flange type | Synchro flange |
| Napięcie zasilania | 10…30 V DC |
| Protokół komunikacyjny | PROFINET |
| Połączenie elektryczne | Złącze, 3 x M12 |
| Materiał obudowy | Aluminium |
| Temperatura pracy | -40…+80 °C |
| Protection class shaft | IP67 |
| Stopień ochrony | IP67 |
Akcesoria montażowe
|
RA-BC-20-06-06
Łącznik mieszkowy z piastą aluminiową Ø 20 mm; d1 = 6 mm, d2 = 6 mm |
100048777 |
|
RA-BC-20-06-08
Łącznik mieszkowy z piastą aluminiową Ø 20 mm; d1 = 6 mm, d2 = 8 mm |
100048778 |
|
RA-BC-20-06-10
Łącznik mieszkowy z piastą aluminiową Ø 20 mm; d1 = 6 mm, d2 = 10 mm |
100048779 |
|
RA-BC-E-20-06-06
Łącznik mieszkowy ze stali nierdzewnej Ø 20 mm; d1 = 6 mm, d2 = 6 mm |
100048785 |
|
RA-BC-E-20-06-10
Łącznik mieszkowy ze stali nierdzewnej Ø 20 mm; d1 = 6 mm, d2 = 10 mm |
100048786 |
|
RA-SDC-30-06-10
Złącze z tarczą sprężynującą Ø 30 mm, d1 = 6 mm, d2 = 10 mm |
100048791 |
|
RA-SDC-30-06-06
Złącze z tarczą sprężynującą Ø 30 mm, d1 = 6 mm, d2 = 6 mm |
100048790 |
|
RA-HC-25-06-06
Aluminiowe sprzęgło helikalne Ø 25 mm; d1 = 6 mm, d2 = 6 mm |
100048794 |
|
RA-HC-25-06-10
Aluminiowe sprzęgło helikalne Ø 25 mm; d1 = 6 mm, d2 = 10 mm |
100048795 |
Podłączenie
|
RSSD-RSSD-4422-2M
Przemysłowy kabel Ethernet, złącze męskie M12, kodowanie D, proste — złącze M12, kodowanie D, proste, długość kabla: 2 m, materiał powłoki: PUR, zielony |
6635150 |
|
WSSD-WSSD-4422-2M
Przemysłowy kabel Ethernet, złącze męskie M12, kodowanie D, kątowe — złącze męskie M12, kodowanie D, kątowe, długość kabla: 2 m, materiał powłoki: PUR, zielony |
6635188 |
|
RSSD-RJ45S-4422-2M
Przemysłowy kabel Ethernet, złącze męskie M12, kodowanie D, proste — złącze męskie RJ45, proste, długość kabla: 2 m, materiał powłoki: PUR, zielony |
6635170 |
|
RSSD-RJ45S-4422-7M
Przemysłowy kabel Ethernet, złącze męskie M12, kodowanie D, proste — złącze męskie RJ45, proste, długość kabla: 2 m, materiał powłoki: PUR, zielony |
6635579 |
|
RSSD-RJ45S-4422-8M
Przemysłowy kabel Ethernet, złącze męskie M12, kodowanie D, proste — złącze męskie RJ45, proste, długość kabla: 2 m, materiał powłoki: PUR, zielony |
6635538 |
|
RKC4.4T-2/TXL
Kabel połączeniowy, złącze żeńskie M12, proste, 4-styk., długość kabla: 2 m, materiał powłoki: PUR, czarny; aprobata cULus |
6625503 |
|
WKC4.4T-2/TXL
Kabel połączeniowy, złącze żeńskie M12, kątowe, 4-styk., długość kabla: 2 m, materiał powłoki: PUR, czarny; aprobata cULus |
6625515 |

