Produkt NCLS-WA0
Akcesoria
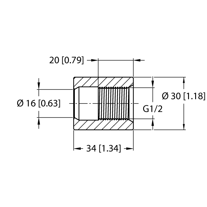
Cylindryczna tuleja spawalnicza bez otworu kontrolnego
Do pojemnościowych czujników poziomu granicznego NCLS
Nr zamówieniowy: 100004429- Tuleja spawalnicza do pojemników
- HPC — tuleja nr 2
- Można używać do czujników poziomu granicznego NCLS

Dane ogólne
| EAN | 4047101499414 |
| Kod eCl@ss (V5.1.4): | 27270102 -/- Czujnik pojemnościowy |
| Numer taryfy celnej | 73072910900 |
| Kraj pochodzenia | DE |
| Waga | 117 g |
Dane techniczne
| Typ akcesoriów | Adapter procesowy |
| Do użytku z | Czujniki pojemnościowe |
| Podłączenie procesowe | Instalacja spawana |
| Warunki montażowe | Powierzchniowy |
| Wymiary konstrukcji | 34 × 30 × 30 mm |
| Materiał obudowy | Stal nierdzewna, 1.4404 (AISI 316L) |
| Stopień ochrony | IP67 |

