Produkt SMB30A
Akcesoria
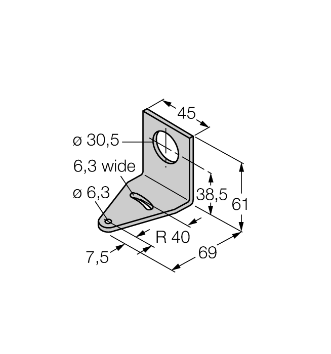
Uchwyt montażowy
Nr zamówieniowy: 3032723Alternatywny numer zamówieniowy : 32723
- Przejściówka M30
- Dla czujników z gwintem 30 mm

Dane ogólne
| EAN | 662488327231 |
| Kod eCl@ss (V5.1.4): | 27279201 -/- Połączenia (akcesoria czujników) |
| Numer taryfy celnej | 73269098900 |
| Kraj pochodzenia | VN |
| Waga | 81.65 g |
Dane techniczne
| Typ akcesoriów | Wspornik montażowy |
| Do użytku z | Czujniki cylindryczne |
| Wymiary konstrukcji | 69 × 45 × 61 mm |
| Materiał obudowy | Metal, 1.4401 (AISI 316) |

