Produkt UHF-SYS-TUNNEL-ETSI
Rozwiązanie tunelu UHF RFID
Nr zamówieniowy: 100051344- TUNEL UHF RFID do wykrywania obiektów (masowych) na taśmie przenośnikowej
- Wstępnie zainstalowane oprogramowanie TVSnode do uruchomienia i komunikacji za pośrednictwem zintegrowanego interfejsu API REST
- Maks. prędkość przenośnika < 1 m/s
- Zalecana odległość między obiektami: > 1,3 m
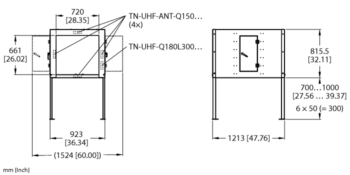
- Wielkość otworu tunelu: 720 × 660 mm
- Urządzenie przeznaczone wyłącznie do użytkowania na terenie Unii Europejskiej (UE), Wielkiej Brytanii (GBR), Indiach (IND), Turcji (TUR) i RPA (ZAF) w paśmie częstotliwości 865…868 MHz

Dane ogólne
| EAN | 4047101685213 |
| Kod eCl@ss (V5.1.4): | 27280401 -/- System RFID |
| Numer taryfy celnej | 84719000000 |
| Kraj pochodzenia | DE |
| Waga | 100000 g |
Dane techniczne
| Technologia | UHF RFID |
| Region użytkowania (UHF) | Europa, Indie, Turcja, Afryka Południowa (865…868 MHz) |
| Komunikacja radiowa i standard protokołu | ISO 18000-63, EPCglobal Gen 2 |
| Protokół sieciowy | TCP/IP, REST API |
| Materiał obudowy | Metal, Żółte |
| Temperatura pracy | -30…+50 °C |
| Stopień ochrony | IP67 |

